Hex socket screw, drill hole dimensions
Hex socket screw, drill hole dimensions

JIS and DIN hex socket screws - A comparison

Hex socket screws are an indispensable component in the assembly and construction of machinery and equipment. They are used worldwide, with each country having its own standards for size, thread, and materials. One of the most popular standards is the Japanese Industrial Standard (JIS). In this blog post, we will take an in-depth look at hex socket screws and the Japanese JIS standard.

12 Minutes read

Types of shafts in mechanical engineering - Linear shafts, rotating shafts, rods, and how to make the right choice

Shafts are a critical component of the mechanical engineering industry, as they connect various components. There are several types of shafts used in mechanical engineering, including linear shafts, rotary shafts, and rods. When selecting a shaft for a specific application, you must consider various factors to find the best shaft. These include the type of application, the performance requirements, and the type of shaft best suited for the application. By making the right choice, you can be sure that the machine will operate efficiently and achieve the desired results.

5 Minutes read

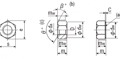
Hex Nuts - JIS-standardized hex nuts with selection information

Hex nuts (also known as hexagonal nuts) are one of the most commonly used nuts in the mechanical engineering industry. For decades, hex nuts have been an essential component in the assembly of machine parts that require proper fastening and high operational reliability. Many countries, including Japan, have standards governing the specifications of these nuts. This article will focus on the Japanese JIS standard and discuss what it entails for hex nuts.

7 Minutes read
Example of a metal bellows coupling
Example of a metal bellows coupling

Couplings - Rigid couplings

Rigid, non-disengageable couplings are axially aligned, compact, and non-rotating, making them widely used. They create a non-rotating connection between two shafts, provided that both shafts are perfectly aligned. However, rigid couplings do not allow for flexibility, movement, or compensation. In this article, you can read about when it is worthwhile to use a rigid shaft coupling, what advantages they offer, and what different types are available.

8 Minutes read

Testing technology - Requirements and overview of methods

As part of quality assurance and functional testing, testing technology plays a crucial role in the production environment. A variety of material testing methods are used—ranging from destructive tests, such as tensile testing, to non-destructive techniques, such as ultrasonic testing. This article provides a comprehensive overview of the requirements for testing technology as well as various testing methods.

9 Minutes read

Chains and sprockets: How they work together

Chains and sprockets are important elements in the design and mechanisms of machines and equipment. They are indispensable when it comes to the mechanical transfer of motion and force. But what types of chains and sprockets are there and what are their specific characteristics?

10 Minutes read

Testing technology - Testing of printed circuit boards (spring contact pins)

Reliable test methods are essential in electronics manufacturing. Spring contact pins serve as a precise interface for testing connections in electronic assemblies. But how exactly are spring contact pins used and which variants are available? In this article, you'll discover the many uses and different designs of these precise testing tools.

8 Minutes read

Conveyor technology - Specifications and selection of conveyor timing belts

Conveyor timing belts are a particularly efficient and versatile drive solution in conveyor technology. Unlike conventional conveyor belts or chain drives, they offer synchronized and therefore slip-free power transmission. They are indispensable in many applications. However, there are a few factors to consider when selecting.

7 Minutes read

Contact corrosion: Chemical affinity and its impact

Corrosion is much more than just superficial rust. When incompatible metals are joined, their direct contact can cause profound damage due to galvanic corrosion. The process behind galvanic corrosion is based on electrochemical processes and preferentially occurs in wet, salty, or aggressive environments. Under these conditions, it leads to the inevitable degradation of the less noble metal. In this article, we show how contact corrosion works, which materials are particularly affected and which preventive measures are effective.

14 Minutes read

Steel Hardening Processes - An Overview

Steel is a versatile material in industry and is particularly popular for its robustness. However, this robustness is not a fundamental property of steel, but rather the result of purposeful hardening processes. In this article, we introduce the processes of steel hardening, provide an overview of hardening methods, and list common errors and problems.

2 Minutes read

Pneumatics - Selecting a compact air cylinder in 6 steps

Pneumatic cylinders are versatile drive elements that produce precise linear motion by using compressed air. Depending on the application, different technical properties are required. For example, vacuum valves with volumetric flow restrictors enable precise control of airflow, while integrated anti-rotation devices increase operational reliability. But how do I choose the right compressed air cylinder for my application? This article gives you a comprehensive overview of what is involved when selecting pneumatic cylinders or compressed air cylinders so that you can make informed decisions in the future and select the cylinder that best suits your needs.

12 Minutes read

Cooling and cleaning in production - Air nozzles and spray nozzles

From machining, to welding processes or along the conveyor: In modern manufacturing, precise cooling and reliable cleaning are essential for quality, process reliability and productivity. Air nozzles and spray nozzles offer flexible solutions - from precise blow-off to liquid surface wetting. In this blog, you will learn which nozzle types are suited for which applications, how jet shape and spray angle impact the effect and what really matters when selecting, designing and integrating into the system.

12 Minutes read

Spring plungers overview - Functions, types, materials and mounting types

From locking, positioning to ejecting - spring plungers are small but crucial components in machines, fixtures and automated systems. Their variety of designs, materials and mounting styles makes them extremely versatile - but also require explanation. In this article, you will obtain a practical overview of the most important functions, types and materials as well as valuable information on the correct selection and professional installation.

14 Minutes read

Durable plain bearings and rolling bearings: How purposeful material selection minimizes friction, wear and corrosion

Bearings are central functional components in almost all machines and systems. However, their service life depends not only on design and lubrication, but significantly on an often underestimated factor: the right material pairing. Friction, wear, and corrosion are among the most common causes of bearing failure, with significant consequences for efficiency, maintenance, and operational safety. Understanding their causes and already counteracting these in a purposeful way in the material selection can extend service life, reduce energy losses, and increase the reliability of entire systems. In this article, we show how basic tribological principles, suitable metal pairings, and purposeful protective measures work together – and why the choice of materials in bearing technology is far more than merely a strength decision.

12 Minutes read

Guide to reading micrometers

When components are manufactured within tight tolerances, the precise handling of micrometers is very important. But correct reading has to be learned: What scales are there? What does the reference line show? And how is the measurand actually determined? In our current blog post, micrometers are explained in detail. We show you step by step how to read analog micrometers correctly – with hands-on examples, typical sources of error and tips from manufacturing engineering.

12 Minutes read

Lock nuts and other types of screw locks

In industrial applications, inconspicuous details often determine operational reliability, maintenance and product service life – including screw locking devices. Whether in mechanical engineering, material handling or robotics, a loosened screw can have costly consequences. In this blog, we take a real-world look at locknuts and introduce alternative locking methods – from locknuts to adhesives to interlocking solutions – with an analysis of their efficacy and a clear classification according to locking principles.

16 Minutes read

Pneumatics - Calculating air consumption and required air volume for pneumatic cylinders

How much compressed air does a pneumatic cylinder really need? In this article, you'll learn how to calculate the air consumption of double-acting cylinders and which influencing factors are critical. In industrial applications of pneumatic systems, precise analysis of air demand is essential to conserve energy and increase plant efficiency. In practical terms, we show what matters in the calculation, including the formula, an example, and tips for optimization.

8 Minutes read

Types of proximity switches in mechanical engineering quality assurance (high-precision switches)

High-precision switches are used in mechanical engineering when the task at hand is determining exact positions, checking manufacturing tolerances, or for process monitoring. Depending on the application, there are different types of switches that this article presents in detail.

5 Minutes read

Temperature sensors and thermostats

Temperature sensors and thermostats are technical components that provide precise temperature monitoring and control in industry, households, and automation. From thermocouples, RTDs, or bimetallic switches, each system has specific strengths and applications. This article provides an overview of the various components for accurate temperature measurement and temperature monitoring and shows differences and typical applications of the most important temperature sensors and thermostats. Find the right solution for your temperature measurement needs.

12 Minutes read

Avoiding cable breakage - Selecting the right energy chain

Many industries use machines or industrial robots. A stable power supply to these machines is essential to ensure trouble-free operation. Cable breakage and premature wear can lead to costly downtime. Energy chains provide reliable cable routing, increase the service life of the energy lines and improve operational reliability. But which energy chain is right for your application? This blog provides step-by-step guidance on how to best design your energy chains to ensure maximum efficiency and minimal maintenance.

9 Minutes read