1A(Bezel·Angle disignation)

* calculation
=
·45°≤G<90°
|
2A(Partial bezel·Angle disignation)

* calculation
=
·45°≤G<90°
·1.5≤V<P |
3A(Outward R)

·P≤R≤15 |
4A(Inward R)

·P≤R≤15 |
5A(Z groove)

·0°≤G≤45°
·1.5≤V<P
·L-F≤10
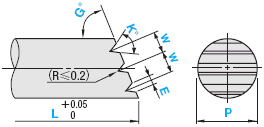
·V-(L-F)tanG≥1
R designation not available. |
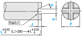
6A(Cone)

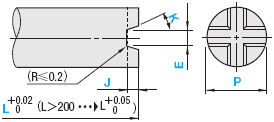
·45°≤G<90° |
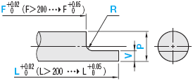
7A(Outward R with F designation)

·L-F≤P≤15 |
8A(Inward R with F designation)

·P<R≤15
·L-F>R- |
9A(Spherical surface)

·Default:SR=
 |
10A(Trapezoid)

·1.5≤V<P
·V≤A<P
·L-F≤5
R designation not available. |
11A(C chamfered)

·0.1≤V≤( -0.1) |
12A(Tapered)

·0.1≤V≤(P×2), -VtanG≥0.1
·0°<G≤45° |
13A(R chamfered)

·0.2≤Q≤( -0.1) |
14A(R groove)

·(P×1.2)≤R≤(P×2) |
15A(R surface)

·Default:R=
 |
16A(Bezel·F designation)

·0.05≤(L-F)≤P |
17A(Partial bezel with F designation)

·0.05≤(L-F)≤(P-V)
·1.5≤V<P |
18A(Bezel+1 groove)

·45°≤G<90°
·0.3≤E≤3.0
R designation not available.
·E≤
·K Selection 60°or 90° |
19A(Bezel+2 grooves)

·45°≤G<90°
·0.3≤E≤3.0
·E≤
·(E+0.2)≤W≤(P-E-0.4)
·K Selection 60°or 90°
R designation not available. |
20A(Bezel+3 grooves)

·45°≤G<90°
·0.3≤E≤3.0
·E≤
·(E+0.2)≤W≤(P- -0.2)
·K Selection 60°or 90°
R designation not available. |
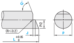
21A(Bezel+1 vertical groove)

·45°≤G<90°
·J≤
·0.3≤J≤3.0
R designation not available. |
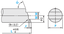
22A(Bezel+2 vertical groove)

·45°≤G<90°
·0.3≤J≤3.0
·J≤
·0.1+JtanG≤W≤( -0.2) |
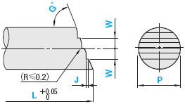
23A(Bezel+3 vertical grooves)

·45°≤G<90°
·0.3≤J≤3.0
·J≤
·0.1+JtanG≤W≤( -0.2) |
24A(Cross groove·Triangle shaped)

·0.3≤J≤3.0
·J≤
·30°≤K°≤90°(5° increments) |
25A(Cross groove·Trapezoid-shaped)

·0.3≤J≤3.0
·0.3≤E≤3.0
·J≤
·E≤
·0°≤K°≤45°(5° increments) |
26A(L-shaped·R designation)

·0.3≤R≤(P-V)and R≤(L-F)
·0.2≤(L-F)≤(V×5)
·1≤V<P |
27A(Bezel·Z groove)

·1≤(L-F)≤(V×5)
·1.5≤V<P
·0°<G≤45°
R designation not available. |
28A(Half R)

·(P×0.1)≤R<(P×0.8) |
29A(L-shaped·Tapered)

·0.2≤(L-F)≤V×5
·0.3≤V<P
R designation not available. |
30A(Umbo)

·1≤A≤(P-1)and ≤A
·1≤(L-F)≤(A×3)
R designation not available. |
31A(Inward R·F/V designation)

·P<R≤15
·L-F>R-
·1.5≤V<P |
32A(Outward R with F/V designation)

·P<R≤15
·L-F>R-
·1.5≤V<P |